Запчасти Hitachi ZX180W-3 009 PUMP GEAR. 01 PUMP

Схема запчастей Hitachi ZX180W-3 - 009 PUMP GEAR. 01 PUMP
FIT
1:1
100%

Артикул

Название

Примечание

Количество

9218005

PUMP;GEAR

1шт.

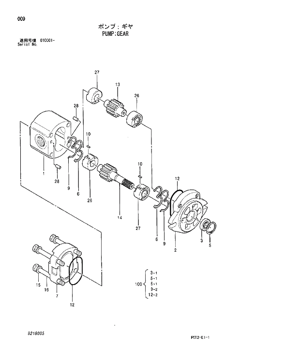
1

+++++++

* HOUSING

1шт.

2

2050209

* FLANGE

1шт.

3

3097272

* SEAL;OIL

1шт.

5

447068

* RING;RETAINING

1шт.

6

1031045

* SEAL

2шт.

7

4605732

* COVER

1шт.

9

4487250

* RING;BACK-UP

2шт.

10

4484119

* KEY

2шт.

12

4488720

* O-RING

2шт.

13

+++++++

* GEAR

1шт.

14

+++++++

* GEAR

1шт.

15

4605742

* WASHER

4шт.

16

4605670

* BOLT

4шт.

26

+++++++

* BUSH

2шт.

27

+++++++

* BUSH

2шт.

28

J400613

* PIN;KNOCK

4шт.

100

4487340

KIT;SEAL

1шт.

Выбрано товаров: 18