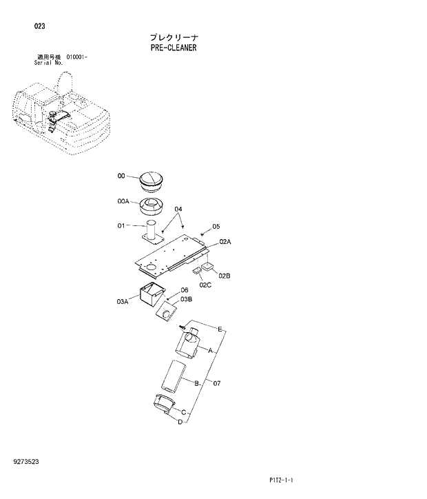
Запчасти Hitachi ZX180W-3 023 PRE-CLEANER. 01 UPPERSTRUCTURE

Схема запчастей Hitachi ZX180W-3 - 023 PRE-CLEANER. 01 UPPERSTRUCTURE
FIT
1:1
100%

Артикул

Название

Примечание

Количество

00

4505403

CLEANER;PRE

1шт.

00A

4045174

* DUST-COLLECTOR

1шт.

01

8108127

PIPE

1шт.

02

9767337

COVER

1шт.

02A

7052159

* COVER

1шт.

02B

4656232

* RUBBER

1шт.

02C

4659056

* RUBBER

1шт.

03

8108125

COVER

1шт.

03A

8108120

* COVER

1шт.

03B

4665658

* RUBBER

1шт.

04

J271030

BOLT;SEMS

9шт.

04A

J901030

* BOLT

1шт.

04B

J222010

* WASHER

1шт.

05

J281030

BOLT;SEMS

1шт.

05A

J901030

* BOLT

1шт.

05B

4486055

* WASHER

1шт.

06

J260820

BOLT;SEMS

4шт.

06A

J900820

* BOLT

1шт.

06B

A590108

* WASHER;PLANE

1шт.

07

4484771

CLEANER;AIR

1шт.

07A

+++++++

* BODY

1шт.

07B

4486002

* ELEMENT

1шт.

07C

4486017

* COVER

1шт.

07D

4486015

* VALVE

1шт.

07E

4419601

* INDICATOR

1шт.

Выбрано товаров: 25