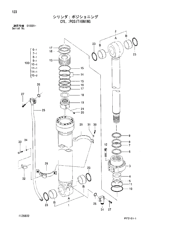
Запчасти Hitachi ZX180W-3 123 CYL;POSITIONING. 05 CYLINDER

Схема запчастей Hitachi ZX180W-3 - 123 CYL;POSITIONING. 05 CYLINDER
FIT
1:1
100%

Артикул

Название

Примечание

Количество

4660050

CYL.;POSITIONING

1шт.

1

1128801

* TUBE;CYL. ASS'Y

1шт.

1A

+++++++

** TUBE;CYL.

1шт.

1B

4397790

** BUSHING;PIN

2шт.

2

0871803

* ROD;PISTON ASS'Y

1шт.

2A

+++++++

** ROD;PISTON

1шт.

2B

4397790

** BUSHING;PIN

2шт.

3

0867305

* HEAD;CYL.

1шт.

4

0836104

* BUSHING

1шт.

5

0208504

* RING;RETAINING

1шт.

6

0836115

* RING;BUFFER

1шт.

7

0836114

* U-RING

1шт.

8

0836107

* RING;BACK-UP

1шт.

9

0807904

* RING;WIPER

1шт.

10

A811145

* O-RING

1шт.

11

0482606

* RING;BACK-UP

1шт.

12

0714306

* BOLT;SOCKET

12шт.

13

0867306

* PISTON

1шт.

14

0237218

* RING;SEAL

1шт.

15

0482609

* RING;BACK-UP

2шт.

16

1102003

* RING;SLIDE

2шт.

17

0237220

* RING;SLIDE

2шт.

18

0373414

* SHIM

1шт.

19

0867308

* NUT

1шт.

20

0352715

* SCREW;SET

1шт.

21

0104404

* BALL

1шт.

23

4067901

* SEAL;DUST

4шт.

24

0899203

* JOINT

1шт.

25

1128802

* PIPE

1шт.

26

984614

* O-RING

2шт.

27

M341236

* BOLT;SOCKET

8шт.

28-34

0867313

* KIT;BAND

1шт.

28

0867314

** BAND

1шт.

29

0387311

** BAND

1шт.

30

J901035

** BOLT

2шт.

31

A590910

** WASHER

2шт.

32

0309021

** HOLDER

1шт.

33

0667013

** BOLT

1шт.

34

0208516

** WASHER;SPRING

1шт.

100

4655757

KIT;SEAL

1шт.

Выбрано товаров: 40