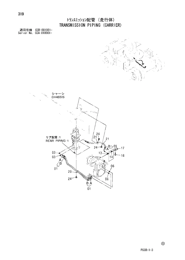
Запчасти Hitachi ZX180W 319_TRANSMISSION PIPING (CARRIER) (CCA 010001 -; CCB 001001 -). 02 UNDERCARRIAGE

Схема запчастей Hitachi ZX180W - 319_TRANSMISSION PIPING (CARRIER) (CCA 010001 -; CCB 001001 -). 02 UNDERCARRIAGE
FIT
1:1
100%

Артикул

Название

Примечание

Количество

1

9223255

HOSE ASS'Y

2шт.

01A

4351912

* HOSE

1шт.

01B

4327293

* PROTECTOR

2шт.

3

A852323

ELBOW;S

2шт.

03A

957366

* O-RING

1шт.

6

4489344

ADAPTER;S

2шт.

06A

4509180

* O-RING

1шт.

9

9223273

HOSE ASS'Y

1шт.

09A

4452732

* HOSE

1шт.

09B

4327293

* PROTECTOR

2шт.

13

4605449

TEE;S

1шт.

13A

4506412

* O-RING

1шт.

14

4436535

SENSOR;PRES.

1шт.

16

J260850

BOLT;SEMS

1шт.

16A

J900850

* BOLT

1шт.

16B

A590108

* WASHER;PLANE

1шт.

17

9760957

COVER

1шт.

20

4190266

CLIP (22X2)

1шт.

21

4190274

CLIP (20)

2шт.

24

J271020

BOLT;SEMS

3шт.

24A

J901020

* BOLT

1шт.

24B

J222010

* WASHER

1шт.

Выбрано товаров: 22