Качественные детали и логистика
Оригинальные и аналоговые запчасти с доставкой по России, Казахстану и Беларуси
©2022 PartSell ООО "Система" ИНН 2463123282 ОГРН 1212400004838
Центральный офис: г. Красноярск, Академика Киренского, д.87, пом.4
Телефон: 8 (800) 777-65-74 Email: zakaz@partsell.ru
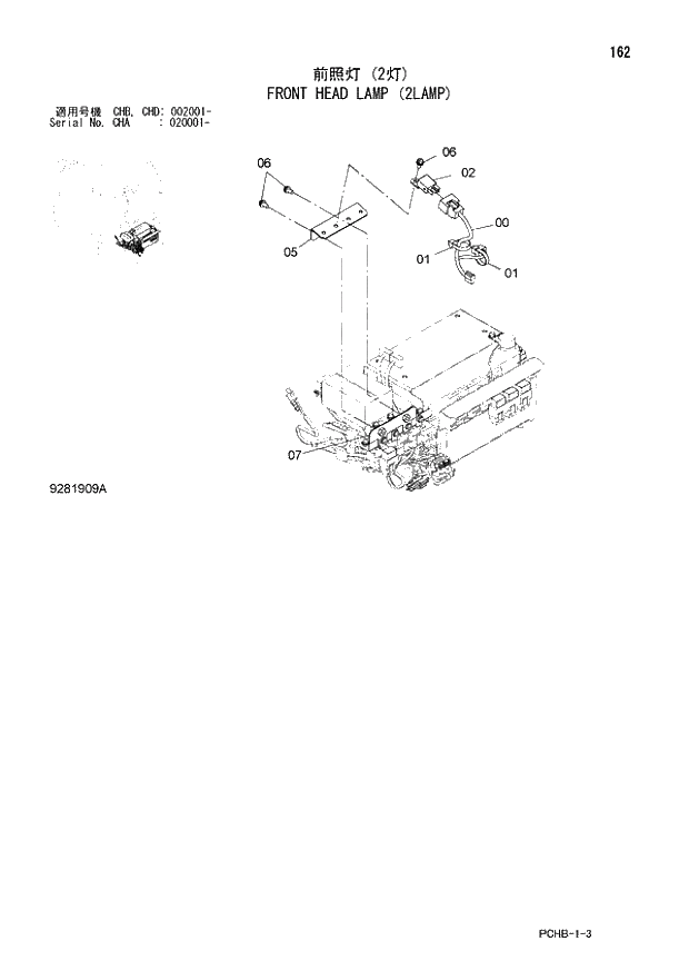
162 FRONT HEAD LAMP (2LAMP) (CHA 020001 - CHB - CHB CHD 002001 -).
№
Артикул
Название
Примечание
Количество
0
4673090
HARNESS;WIRE
1шт.
1
4055312
CLIP;BAND
2шт.
2
4414207
RELAY
5
8111725
BRACKET
6
J460614
SCREW;SEMS
3шт.
7
8111724
D07/03 -
Выбрано товаров: 0