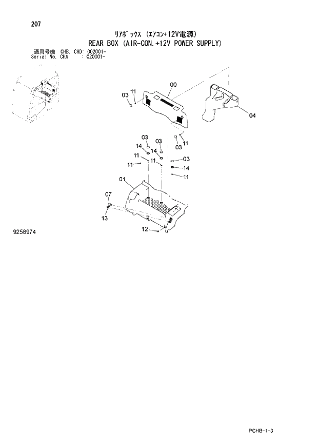
Запчасти Hitachi ZX190W-3 207 REAR BOX (AIR-CON.+12V POWER SUPPLY) (CHA 020001 - CHB - CHB CHD 002001 -). 01 UPPERSTRUCTURE

Схема запчастей Hitachi ZX190W-3 - 207 REAR BOX (AIR-CON.+12V POWER SUPPLY) (CHA 020001 - CHB - CHB CHD 002001 -). 01 UPPERSTRUCTURE
FIT
1:1
100%

Артикул

Название

Примечание

Количество

0

4648101

COVER

1шт.

1

4648100

TRAY

1шт.

3

4648102

CAP

5шт.

4

4636099

DUCT

1шт.

7

4432965

SOCKET

1шт.

11

J460820

SCREW;SEMS

6шт.

12

J260820

BOLT;SEMS

1шт.

12A

J900820

* BOLT

1шт.

12B

A590108

* WASHER;PLANE

1шт.

13

4653906

LIGHTER

1шт.

14

4656300

RUBBER

3шт.

Выбрано товаров: 0