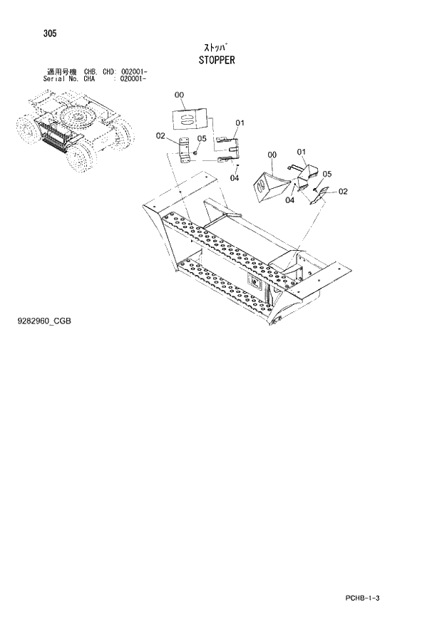
Запчасти Hitachi ZX190W-3 305 STOPPER (CHA 020001 - CHB - CHB CHD 002001 -). 02 UNDERCARRIAGE

Схема запчастей Hitachi ZX190W-3 - 305 STOPPER (CHA 020001 - CHB - CHB CHD 002001 -). 02 UNDERCARRIAGE
FIT
1:1
100%

Артикул

Название

Примечание

Количество

0

4605372

STOPPER

2шт.

1

4603419

SUPPORT

2шт.

2

9767890

BRACKET

2шт.

4

J260612

BOLT;SEMS

8шт.

04A

J900612

* BOLT

1шт.

04B

A590106

* WASHER;PLANE

1шт.

5

J281025

BOLT;SEMS

4шт.

05A

J901025

* BOLT

1шт.

05B

4486055

* WASHER

1шт.

Выбрано товаров: 9