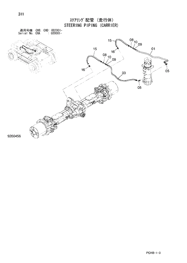
Запчасти Hitachi ZX190W-3 311 STEERING PIPING (CARRIER) (CHA 020001 - CHB - CHB CHD 002001 -). 02 UNDERCARRIAGE

Схема запчастей Hitachi ZX190W-3 - 311 STEERING PIPING (CARRIER) (CHA 020001 - CHB - CHB CHD 002001 -). 02 UNDERCARRIAGE
FIT
1:1
100%

Артикул

Название

Примечание

Количество

1

9262162

HOSE ASS'Y

1шт.

01A

4315339

* HOSE

1шт.

01B

4327293

* PROTECTOR

2шт.

3

9262163

HOSE ASS'Y

1шт.

03A

4305229

* HOSE

1шт.

03B

4327293

* PROTECTOR

2шт.

5

A852333

ELBOW;S

2шт.

05A

4509180

* O-RING

1шт.

8

4317426

ADAPTER;S

2шт.

9

4202531

NUT

2шт.

10

A590114

WASHER;PLANE

2шт.

15

9277054

HOSE ASS'Y

2шт.

15A

4669763

* HOSE

1шт.

15B

4327293

* PROTECTOR

1шт.

16

4489343

ADAPTER;S

2шт.

16A

4506416

* O-RING

1шт.

Выбрано товаров: 16