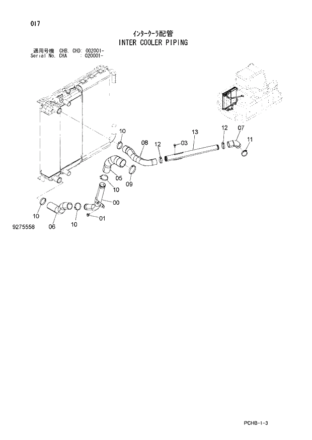
Запчасти Hitachi ZX190W-3 017 INTER COOLER PIPING (CHA 020001 - CHB - CHB CHD 002001 -). 01 UPPERSTRUCTURE

Схема запчастей Hitachi ZX190W-3 - 017 INTER COOLER PIPING (CHA 020001 - CHB - CHB CHD 002001 -). 01 UPPERSTRUCTURE
FIT
1:1
100%

Артикул

Название

Примечание

Количество

0

8105065

PIPE;AIR

1шт.

1

J281030

BOLT;SEMS

2шт.

01A

J901030

* BOLT

1шт.

01B

4486055

* WASHER

1шт.

3

J271030

BOLT;SEMS

2шт.

03A

J901030

* BOLT

1шт.

03B

J222010

* WASHER

1шт.

5

4643561

HOSE;AIR

1шт.

6

4654513

HOSE;AIR

1шт.

7

4643558

HOSE;AIR

1шт.

8

3109913

HOSE;AIR

1шт.

9

4503469

CLAMP;HOSE

1шт.

10

4504491

CLAMP;HOSE

4шт.

11

4504198

CLAMP;HOSE

1шт.

12

4504199

CLAMP;HOSE

2шт.

13

8109558

PIPE;AIR

1шт.

Выбрано товаров: 16