Качественные детали и логистика
Оригинальные и аналоговые запчасти с доставкой по России, Казахстану и Беларуси
©2022 PartSell ООО "Система" ИНН 2463123282 ОГРН 1212400004838
Центральный офис: г. Красноярск, Академика Киренского, д.87, пом.4
Телефон: 8 (800) 777-65-74 Email: zakaz@partsell.ru
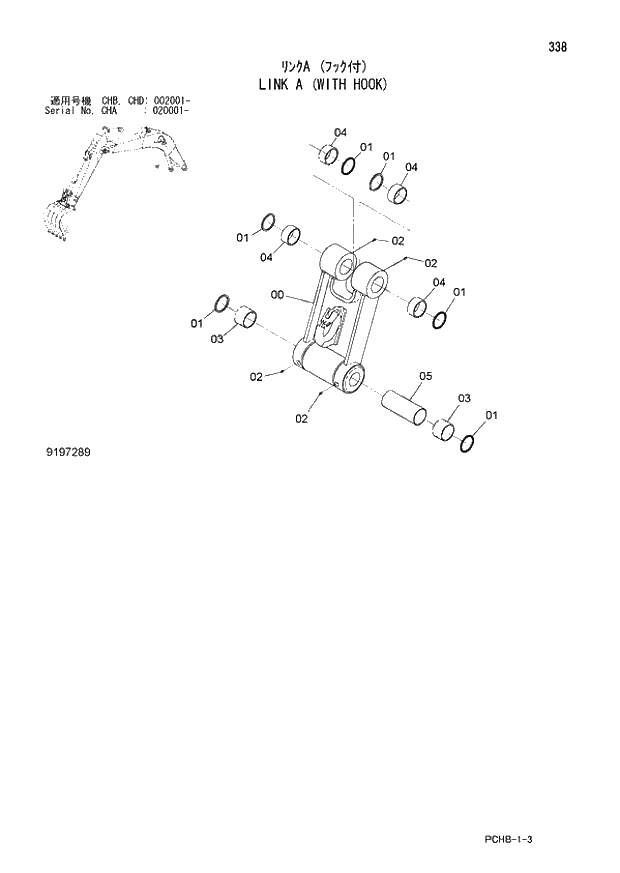
338 LINK A (WITH HOOK) (CHA 020001 - CHB - CHB CHD 002001 -).
№
Артикул
Название
Примечание
Количество
8083028
LINK
1шт.
0
7039869
* LINK
1
4067902
* SEAL;DUST
6шт.
2
J75481
* FITTING;GREASE
4шт.
3
4443882
* BUSHING
2шт.
4
4352398
5
4341159
* SPACER
Выбрано товаров: 0