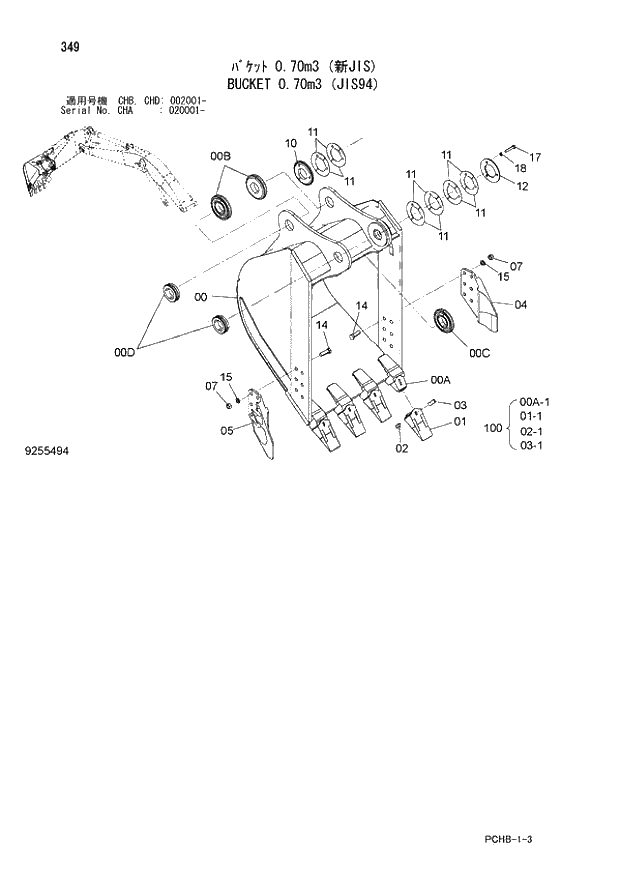
Запчасти Hitachi ZX190W-3 349 BUCKET 0.70m3 (JIS94) (CHA 020001 - CHB - CHB CHD 002001 -). 04 FRONT-END ATTACHMENTS(2P-BOOM)

Схема запчастей Hitachi ZX190W-3 - 349 BUCKET 0.70m3 (JIS94) (CHA 020001 - CHB - CHB CHD 002001 -). 04 FRONT-END ATTACHMENTS(2P-BOOM)
FIT
1:1
100%

Артикул

Название

Примечание

Количество

9255494

BUCKET

1шт.

0

8102440

* BUCKET

1шт.

00A

4414271

** ADAPTER;TOOTH

4шт.

00B

4225804

** BOSS

2шт.

00C

4445241

** BOSS

1шт.

00D

4454563

** STOPPER

2шт.

1

4427919

* POINT;TOOTH

4шт.

2

4501625

* RUBBER;LOCK

4шт.

3

4501627

* PIN;LOCK

4шт.

4

2014503

* CUTTER;SIDE

1шт.

5

2014504

* CUTTER;SIDE

1шт.

7

J951022

* NUT

12шт.

10

4445245

* BOSS

1шт.

11

4275784

* SHIM 1.0mm

12шт.

12

4275783

* PLATE

1шт.

14

J932270

* BOLT

12шт.

15

A590922

* WASHER;SPRING

12шт.

17

J901480

* BOLT

3шт.

18

A590914

* WASHER;SPRING

3шт.

100

9200867

KIT;POINT

4шт.

Выбрано товаров: 20