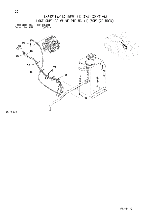
Запчасти Hitachi ZX190W-3 391 HOSE RUPTURE VALVE PIPING (1)(ARM)(2P-BOOM) (CHA 020001 - CHB - CHB CHD 002001 -). 04 FRONT-END ATTACHMENTS(2P-BOOM)

Схема запчастей Hitachi ZX190W-3 - 391 HOSE RUPTURE VALVE PIPING (1)(ARM)(2P-BOOM) (CHA 020001 - CHB - CHB CHD 002001 -). 04 FRONT-END ATTACHMENTS(2P-BOOM)
FIT
1:1
100%

Артикул

Название

Примечание

Количество

1

4208910

TEE;S

1шт.

01A

4509180

* O-RING

1шт.

4

9231819

HOSE ASS'Y

1шт.

04A

4305134

* HOSE

1шт.

04B

4327294

* PROTECTOR

5шт.

6

A852144

ADAPTER;S

1шт.

06A

4506418

* O-RING

1шт.

7

9283273

HOSE ASS'Y

1шт.

07A

4676390

* HOSE

1шт.

07B

4327293

* PROTECTOR

10шт.

8

4323613

CLIP;BAND

5шт.

Выбрано товаров: 11