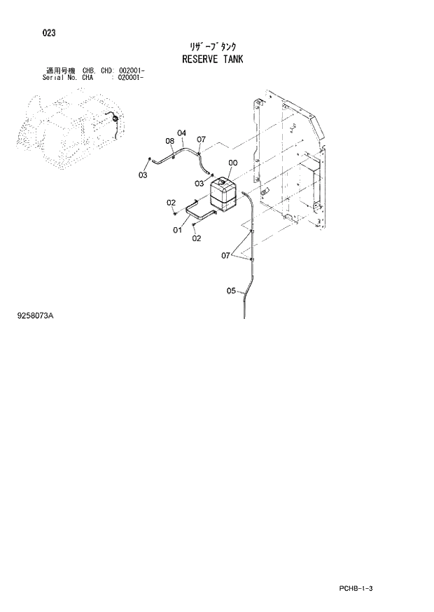
Запчасти Hitachi ZX190W-3 023 RESERVE TANK (CHA 020001 - CHB - CHB CHD 002001 -). 01 UPPERSTRUCTURE

Схема запчастей Hitachi ZX190W-3 - 023 RESERVE TANK (CHA 020001 - CHB - CHB CHD 002001 -). 01 UPPERSTRUCTURE
FIT
1:1
100%

Артикул

Название

Примечание

Количество

0

4197948

TANK;WATER

1шт.

00A

4396809

* CAP

1шт.

00B

4288260

* NAME-PLATE

1шт.

1

4180555

CLAMP

1шт.

2

J260820

BOLT;SEMS

2шт.

02A

J900820

* BOLT

1шт.

02B

A590108

* WASHER;PLANE

1шт.

3

4425139

CLAMP;HOSE

2шт.

4

4206454

HOSE;WATER

1шт.

5

4341867

HOSE;VINYL

1шт.

7

4449250

CLIP

3шт.

8

4190275

CLIP

1шт.

Выбрано товаров: 12