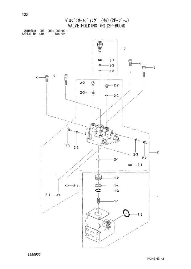
Запчасти Hitachi ZX190W-3 133 VALVE HOLDING (R)(2P-BOOM) (CHA D09-02 - CHB - CHB CHD D09-02 -). 05 CYLINDER

Схема запчастей Hitachi ZX190W-3 - 133 VALVE HOLDING (R)(2P-BOOM) (CHA D09-02 - CHB - CHB CHD D09-02 -). 05 CYLINDER
FIT
1:1
100%

Артикул

Название

Примечание

Количество

4708609

VALVE;HOLDING

1шт.

1

1250001

* BODY

1шт.

01.01.12

973602

** SPRING

1шт.

01.02.12

973603

** COVER

1шт.

01.03.12

4506424

** O-RING

1шт.

01.04.12

4044817

** RING;BACK-UP

1шт.

01.05.12

984614

** O-RING

1шт.

2

1250002

* BODY

1шт.

02.01.12

4506412

** O-RING

4шт.

02.02.12

866702

** PLUG

4шт.

02.03.12

4506408

** O-RING

4шт.

3

973605

* VALVE;RELIEF

1шт.

03.01.12

168308

** O-RING

1шт.

03.02.12

866704

** O-RING

1шт.

03.03.12

866705

** RING;BACK-UP

1шт.

4

M341030

* BOLT;SOCKET

2шт.

5

M341056

* BOLT;SOCKET

2шт.

Выбрано товаров: 17