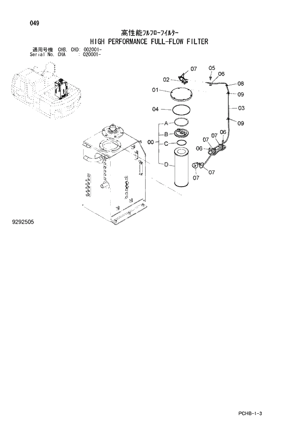
Запчасти Hitachi ZX190W-3 049 HIGH PERFORMANCE FULL-FLOW FILTER (CHA 020001 - CHB - CHB CHD 002001 -). 01 UPPERSTRUCTURE

Схема запчастей Hitachi ZX190W-3 - 049 HIGH PERFORMANCE FULL-FLOW FILTER (CHA 020001 - CHB - CHB CHD 002001 -). 01 UPPERSTRUCTURE
FIT
1:1
100%

Артикул

Название

Примечание

Количество

0

4656523

ELEMENT;FILTER

1шт.

00A

4643446

* RING

1шт.

00B

4643445

* VALVE

1шт.

00C

A810095

* O-RING

1шт.

00D

4656603

* ELEMENT;FILTER

1шт.

1

4643447

COVER

1шт.

2

4449478

INDICATOR

1шт.

3

4464122

HARNESS;WIRE

1шт.

4

A810190

O-RING

1шт.

5

J271035

BOLT;SEMS

6шт.

05A

J901035

* BOLT

1шт.

05B

J222010

* WASHER

1шт.

6

4190261

CLIP

3шт.

7

4055312

CLIP;BAND

5шт.

8

4133363

BUSHING;RUBBER

1шт.

9

4254600

CLIP

2шт.

Выбрано товаров: 16