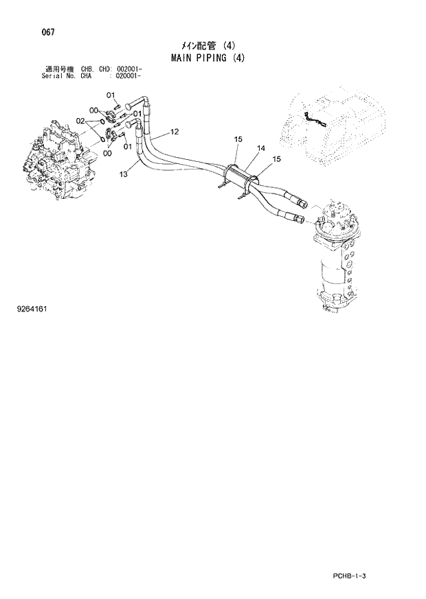
Запчасти Hitachi ZX190W-3 067 MAIN PIPING (4) (CHA 020001 - CHB - CHB CHD 002001 -). 01 UPPERSTRUCTURE

Схема запчастей Hitachi ZX190W-3 - 067 MAIN PIPING (4) (CHA 020001 - CHB - CHB CHD 002001 -). 01 UPPERSTRUCTURE
FIT
1:1
100%

Артикул

Название

Примечание

Количество

0

986910

FLANGE;SPLIT

4шт.

1

J781030

BOLT;SOCKET

8шт.

2

971489

O-RING

2шт.

12

9281273

HOSE ASS'Y

1шт.

12A

4674376

* HOSE

1шт.

12B

4327294

* PROTECTOR

4шт.

13

9281274

HOSE ASS'Y

1шт.

13A

4674377

* HOSE

1шт.

13B

4327294

* PROTECTOR

4шт.

14

4219918

BUSHING;RUBBER

1шт.

15

4121859

CLIP;BAND

2шт.

Выбрано товаров: 0