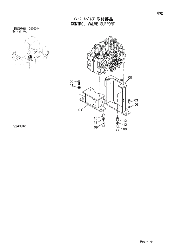
Запчасти Hitachi ZX210H-3 092 CONTROL VALVE SUPPORT. 01 UPPERSTRUCTURE

Схема запчастей Hitachi ZX210H-3 - 092 CONTROL VALVE SUPPORT. 01 UPPERSTRUCTURE
FIT
1:1
100%

Артикул

Название

Примечание

Количество

0

8098474

BRACKET

1шт.

1

8098475

BRACKET

1шт.

3

J921640

BOLT

2шт.

6

J222016

WASHER

2шт.

8

J921655

BOLT

2шт.

9

J921680

BOLT

4шт.

10

4646320

SPACER

4шт.

11

4650338

WASHER

2шт.

12

J222016

WASHER

4шт.

Выбрано товаров: 9