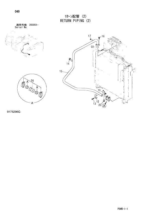
Запчасти Hitachi ZX210H-3G 049 RETURN PIPING (2) 01 UPPERSTRUCTURE

Схема запчастей Hitachi ZX210H-3G - 049 RETURN PIPING (2) 01 UPPERSTRUCTURE
FIT
1:1
100%

Артикул

Название

Примечание

Количество

02

A811040

O-RING

1шт.

06

4069801

COUPLING

1шт.

06A

4196259

* SEAL;RING

2шт.

12

4053698

CLAMP;PIPE

1шт.

13

J271270

BOLT;SEMS

1шт.

13A

J901270

* BOLT

1шт.

13B

J222012

* WASHER

1шт.

14

A885006

PLUG

1шт.

14A

4506424

* O-RING

1шт.

15

7042084

PIPE;RETURN

1шт.

16

J781035

BOLT;SOCKET

2шт.

17

A885003

PLUG

1шт.

17A

4509180

* O-RING

1шт.

19

8086057

BRACKET

1шт.

20

J271030

BOLT;SEMS

2шт.

20A

J901030

* BOLT

1шт.

20B

J222010

* WASHER

1шт.

Выбрано товаров: 0