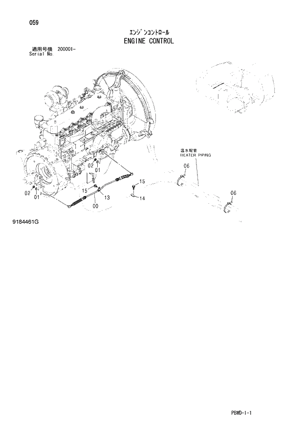
Запчасти Hitachi ZX210H-3G 059 ENGINE CONTROL 01 UPPERSTRUCTURE

Схема запчастей Hitachi ZX210H-3G - 059 ENGINE CONTROL 01 UPPERSTRUCTURE
FIT
1:1
100%

Артикул

Название

Примечание

Количество

00

4426564

CABLE;CONTROL

1шт.

01

A590906

WASHER;SPRING

2шт.

02

M500605

NUT

2шт.

06

4055312

CLIP;BAND

2шт.

13

4190261

CLIP

1шт.

14

4190276

CLIP

1шт.

15

J271020

BOLT;SEMS

2шт.

15A

J901020

* BOLT

1шт.

15B

J222010

* WASHER

1шт.

Выбрано товаров: 9