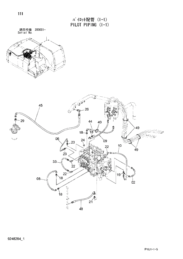
Запчасти Hitachi ZX210LCK-3 111 PILOT PIPING (I-1). 01 UPPERSTRUCTURE

Схема запчастей Hitachi ZX210LCK-3 - 111 PILOT PIPING (I-1). 01 UPPERSTRUCTURE
FIT
1:1
100%

Артикул

Название

Примечание

Количество

2

4427357

HOSE

1шт.

6

4639989

PIPE

1шт.

8

4632041

HOSE

1шт.

9

4219363

HOSE;NYLON

1шт.

10

4630946

HOSE

1шт.

18

A852122

ADAPTER;S

4шт.

18A

957366

* O-RING

1шт.

19

A852422

TEE;S

1шт.

19A

957366

* O-RING

1шт.

21

A852133

ADAPTER;S

1шт.

21A

4509180

* O-RING

1шт.

22

A852322

ELBOW;S

3шт.

22A

957366

* O-RING

1шт.

23

4255304

FITTING;PIPE

2шт.

23A

957366

* O-RING

1шт.

24

A885002

PLUG

1шт.

24A

957366

* O-RING

1шт.

26

A852334

ELBOW;S

1шт.

26A

4509180

* O-RING

1шт.

29

A852144

ADAPTER;S

1шт.

29A

4506418

* O-RING

1шт.

33

4452733

HOSE

1шт.

40

4121859

CLIP;BAND

1шт.

44

4630949

HOSE

1шт.

45

4384231

HOSE

1шт.

48

4213401

HOSE

1шт.

49

4323613

CLIP;BAND

4шт.

Выбрано товаров: 27