Качественные детали и логистика
Оригинальные и аналоговые запчасти с доставкой по России, Казахстану и Беларуси
©2022 PartSell ООО "Система" ИНН 2463123282 ОГРН 1212400004838
Центральный офис: г. Красноярск, Академика Киренского, д.87, пом.4
Телефон: 8 (800) 777-65-74 Email: zakaz@partsell.ru
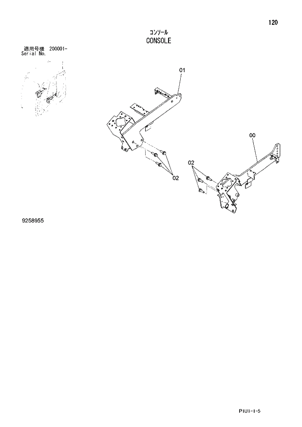
120 CONSOLE.
№
Артикул
Название
Примечание
Количество
0
6023755
CONSOLE
1шт.
1
6023756
2
D
BOLT;SEMS
6шт.
02A
J901035
* BOLT
02B
J222010
* WASHER
Выбрано товаров: 5