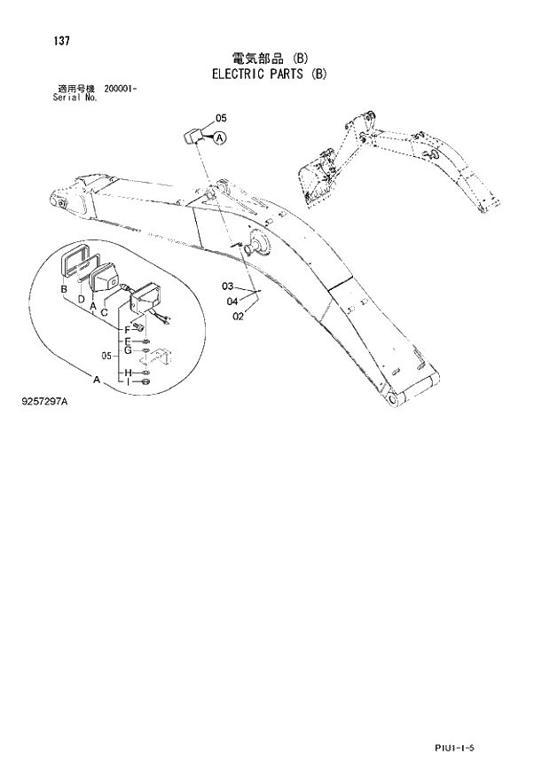
Запчасти Hitachi ZX210LCK-3 137 ELECTRIC PARTS (B). 01 UPPERSTRUCTURE

Схема запчастей Hitachi ZX210LCK-3 - 137 ELECTRIC PARTS (B). 01 UPPERSTRUCTURE
FIT
1:1
100%

Артикул

Название

Примечание

Количество

2

M430613

SCREW

1шт.

3

A590906

WASHER;SPRING

1шт.

4

4254604

HARNESS;WIRE

1шт.

5

4336570

LAMP;HEAD

I

1шт.

5

S

LAMP;HEAD

1шт.

05A

4326801

* LENS;UNIT

1шт.

05B

4326802

* FRAME

1шт.

05C

4285648

* BULB

1шт.

05D

4326803

* GASKET

1шт.

05E

4307026

* WASHER

1шт.

05F

4307027

* SCREW

4шт.

05G

A590114

* WASHER;PLANE

1шт.

05H

A590914

* WASHER;SPRING

1шт.

05I

J952014

* NUT

1шт.

Выбрано товаров: 14