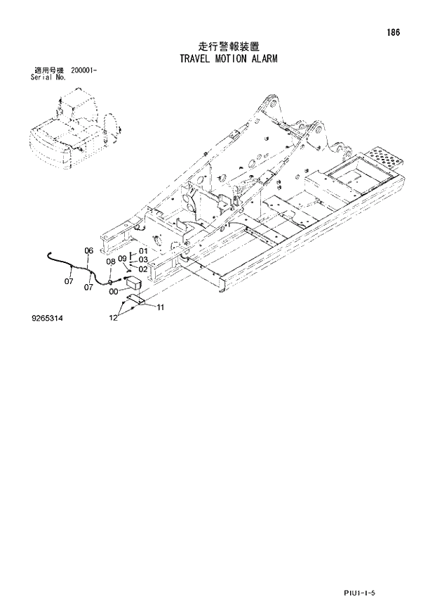
Запчасти Hitachi ZX210LCK-3 186 TRAVEL MOTION ALARM. 01 UPPERSTRUCTURE

Схема запчастей Hitachi ZX210LCK-3 - 186 TRAVEL MOTION ALARM. 01 UPPERSTRUCTURE
FIT
1:1
100%

Артикул

Название

Примечание

Количество

0

4637641

ALARM

1шт.

1

J900800

BOLT

2шт.

2

A590108

WASHER;PLANE

2шт.

3

A590908

WASHER;SPRING

2шт.

6

3088769

HARNESS;WIRE

1шт.

7

4190261

CLIP

2шт.

8

4055312

CLIP;BAND

1шт.

9

4418301

BRACKET

1шт.

11

8074688

BRACKET

1шт.

12

D

BOLT;SEMS

2шт.

12A

J901030

* BOLT

1шт.

12B

J222010

* WASHER

1шт.

Выбрано товаров: 12