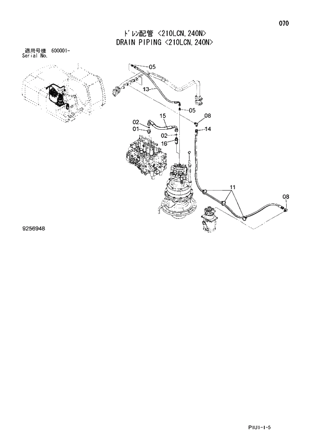
Запчасти Hitachi ZX210LCK-3 070 DRAIN PIPING 210LCN,240N. 01 UPPERSTRUCTURE

Схема запчастей Hitachi ZX210LCK-3 - 070 DRAIN PIPING 210LCN,240N. 01 UPPERSTRUCTURE
FIT
1:1
100%

Артикул

Название

Примечание

Количество

1

A853166

ADAPTER;S

1шт.

01A

4506424

* O-RING

1шт.

2

4187308

O-RING

2шт.

5

A852133

ADAPTER;S

2шт.

05A

4509180

* O-RING

1шт.

8

A852334

ELBOW;S

2шт.

08A

4509180

* O-RING

1шт.

11

4055312

CLIP;BAND

3шт.

13

4453023

HOSE

1шт.

14

4375313

HOSE

1шт.

15

4656682

HOSE

1шт.

16

4189539

ADAPTER;S

1шт.

16A

4506424

* O-RING

1шт.

Выбрано товаров: 13