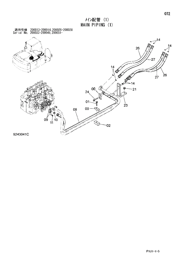
Запчасти Hitachi ZX210LCK-3 072 MAIN PIPING (1). 01 UPPERSTRUCTURE

Схема запчастей Hitachi ZX210LCK-3 - 072 MAIN PIPING (1). 01 UPPERSTRUCTURE
FIT
1:1
100%

Артикул

Название

Примечание

Количество

0

4153488

CLAMP;PIPE

2шт.

1

D

BOLT;SEMS

1шт.

01A

J901270

* BOLT

1шт.

01B

J222012

* WASHER

1шт.

2

W

SEAT;SCREW

1шт.

8

8098305

PIPE

1шт.

9

986910

FLANGE;SPLIT

2шт.

10

971489

O-RING

1шт.

11

J781030

BOLT;SOCKET

4шт.

14

4187308

O-RING

8шт.

21

D

BOLT;SEMS

2шт.

21A

J901230

* BOLT

1шт.

21B

4249324

* WASHER

1шт.

23

9766968

BRACKET

1шт.

24

D

BOLT;SEMS

1шт.

24A

J901285

* BOLT

1шт.

24B

J222012

* WASHER

1шт.

26

4661965

HOSE

2шт.

27

4660944

HOSE

2шт.

Выбрано товаров: 19