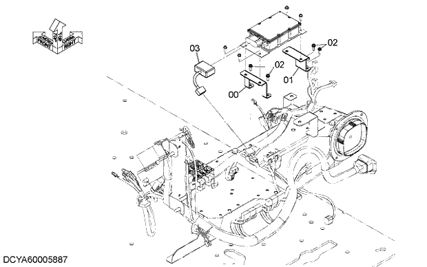
Запчасти Hitachi ZX210LCK-5G 012 COMMUNICATION TERMINAL SUPPORT 07 ELECTRIC SYSTEM

Схема запчастей Hitachi ZX210LCK-5G - 012 COMMUNICATION TERMINAL SUPPORT 07 ELECTRIC SYSTEM
FIT
1:1
100%

Артикул

Название

Примечание

Количество

00

8119329

BRACKET

1шт.

01

8119330

BRACKET

1шт.

02

J460620

SCREW;SEMS

4шт.

03

4712701

HARNESS;WIRE

1шт.

Выбрано товаров: 4