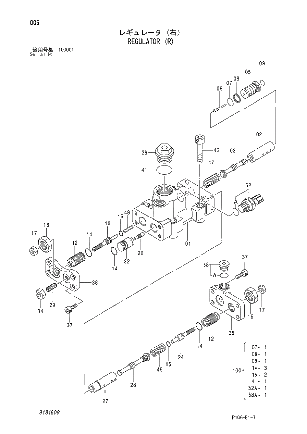
Запчасти Hitachi ZX210LCK 005 REGULATOR (R). 01 PUMP

Схема запчастей Hitachi ZX210LCK - 005 REGULATOR (R). 01 PUMP
FIT
1:1
100%

Артикул

Название

Примечание

Количество

9181609

REGULATOR

I

1шт.

S

REGULATOR

1шт.

1

1027149

* CASING

1шт.

2

4179155

* SLEEVE

1шт.

3

4179156

* SPOOL

1шт.

5

4422202

* CYL.;LOAD

1шт.

6

4422188

* PISTON

1шт.

7

K

* O-RING

1шт.

8

K

* RING;BACK-UP

1шт.

9

K

* O-RING

1шт.

10

4368619

* STOPPER

1шт.

12

4179161

* STOPPER

2шт.

14

K

* O-RING

3шт.

15

K

* O-RING

2шт.

16

4068898

* NUT

2шт.

17

M500807

* NUT

2шт.

20

4179171

* PISTON

1шт.

22

4451498

* CYL.

1шт.

24

4347107

* STOPPER;INNER

1шт.

27

4346522

* SLEEVE

1шт.

28

4346521

* SPOOL

1шт.

29

4265964

* SCREW;SET

1шт.

34

J950010

* NUT

1шт.

35

3075775

* COVER;REAR

1шт.

37

M340820

* BOLT;SOCKET

8шт.

38

4433327

* COVER

1шт.

39

4447264

* PLUG

1шт.

41

K

* O-RING

1шт.

43

M341056

* BOLT;SOCKET

4шт.

47

4194176

* SPRING;COMPRES.

1шт.

48

4423345

* SPRING;COMPRES.

1шт.

49

4350928

* SPRING;COMPRES.

1шт.

52

4436536

* SENSOR;PRES.

1шт.

52A

K

** O-RING

1шт.

58

9134110

* PLUG

1шт.

58A

K

** O-RING

1шт.

100

4455719

KIT;SEAL

1шт.

Выбрано товаров: 37