Качественные детали и логистика
Оригинальные и аналоговые запчасти с доставкой по России, Казахстану и Беларуси
©2022 PartSell ООО "Система" ИНН 2463123282 ОГРН 1212400004838
Центральный офис: г. Красноярск, Академика Киренского, д.87, пом.4
Телефон: 8 (800) 777-65-74 Email: zakaz@partsell.ru
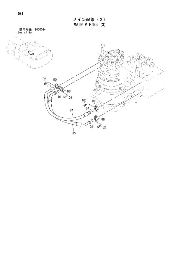
081 MAIN PIPING (3).
№
Артикул
Название
Примечание
Количество
986910
FLANGE;SPLIT
0
8шт.
971489
O-RING
1
4шт.
J781030
BOLT;SOCKET
2
16шт.
4409373
HOSE <200,E,210,H,K>
4
1шт.
4466519
HOSE <N,240>
4409372
5
4353833
Выбрано товаров: 0