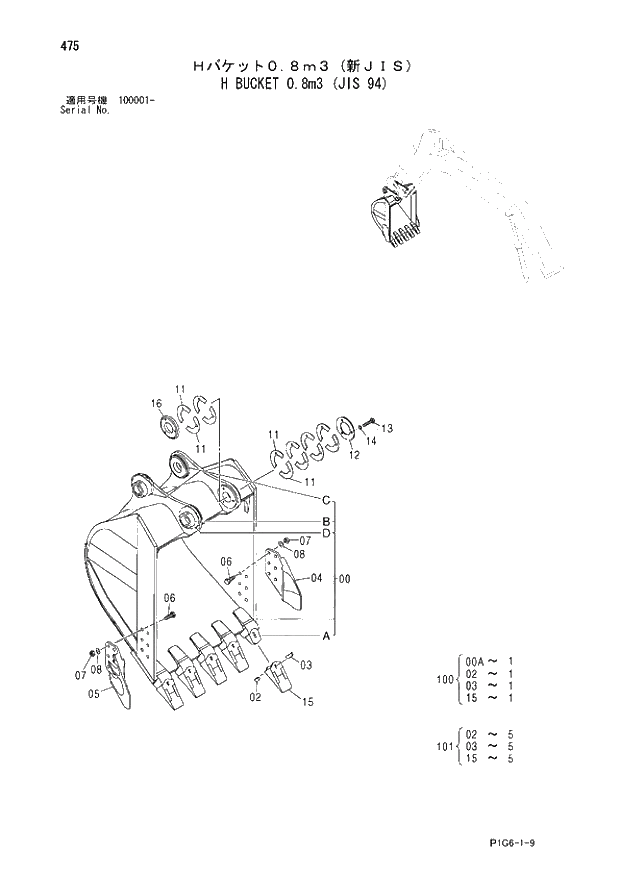
Запчасти Hitachi ZX210N 475 H BUCKET 0.8m3 (JIS 94). 03 FRONT-END ATTACHMENTS(MONO-BOOM)

Схема запчастей Hitachi ZX210N - 475 H BUCKET 0.8m3 (JIS 94). 03 FRONT-END ATTACHMENTS(MONO-BOOM)
FIT
1:1
100%

Артикул

Название

Примечание

Количество

9202094

BUCKET ASS'Y

1шт.

8084344

* BUCKET

0

1шт.

4414271

** ADAPTER;TOOTH

00A

5шт.

4454563

** STOPPER

00B

2шт.

4225804

** BOSS

00C

2шт.

4445241

** BOSS

00D

1шт.

4501625

* RUBBER;LOCK

2

5шт.

4501627

* PIN;LOCK

3

5шт.

2014503

* CUTTER;SIDE

4

1шт.

2014504

* CUTTER;SIDE

5

1шт.

J932270

* BOLT

6

12шт.

J951022

* NUT

7

12шт.

A590922

* WASHER;SPRING

8

12шт.

4275784

* SHIM 1.0

11

12шт.

4275783

* PLATE

12

1шт.

J901480

* BOLT

13

3шт.

A590914

* WASHER;SPRING

14

3шт.

4427919

* POINT;TOOTH

15

5шт.

4445245

* BOSS

16

1шт.

9200867

KIT;POINT

100

5шт.

9249619

KIT;POINT

101

1шт.

Выбрано товаров: 21