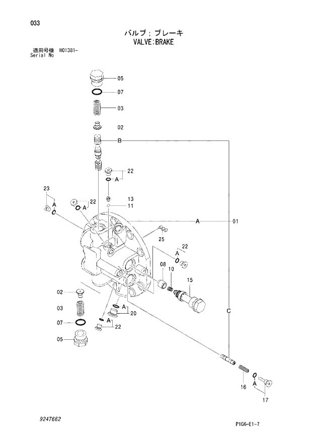
Запчасти Hitachi ZX210N 033 VALVE;BRAKE. 02 MOTOR

Схема запчастей Hitachi ZX210N - 033 VALVE;BRAKE. 02 MOTOR
FIT
1:1
100%

Артикул

Название

Примечание

Количество

9247662

VALVE;BRAKE

I

1шт.

S

VALVE;BRAKE

1шт.

1

8099406

* CASING ASS'Y

1шт.

01A

D

** CASING;REAR

1шт.

01B

D

** SPOOL

1шт.

01C

D

** SPOOL

1шт.

2

4602024

* STOPPER;SPOOL

2шт.

3

4409389

* SPRING;COMPRES.

2шт.

5

4229631

* PLUG

2шт.

7

4506429

* O-RING

2шт.

8

4397022

* POPPET

2шт.

10

4396771

* SPRING;COMPRES.

2шт.

11

4509493

* BALL

1шт.

13

4398281

* SEAT

1шт.

15

9185757

* VALVE;RELIEF

2шт.

16

4297257

* SPRING;COMPRES.

1шт.

17

9167977

* PLUG

1шт.

17A

957366

** O-RING

1шт.

20

9134112

* PLUG

1шт.

20A

4506418

** O-RING

1шт.

22

9134110

* PLUG

4шт.

22A

957366

** O-RING

1шт.

23

9134109

* PLUG

1шт.

23A

4506408

** O-RING

1шт.

25

4050968

* PLUG

3шт.

Выбрано товаров: 25