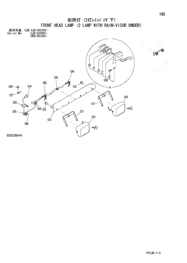
Запчасти Hitachi ZX210W-3 162 FRONT HEAD LAMP (2 L WITH R-VIS UNDER) (CJA 020001 - CJB - CJB CJD 002001 - CKB 001001-). 01 UPPERSTRUCTURE

Схема запчастей Hitachi ZX210W-3 - 162 FRONT HEAD LAMP (2 L WITH R-VIS UNDER) (CJA 020001 - CJB - CJB CJD 002001 - CKB 001001-). 01 UPPERSTRUCTURE
FIT
1:1
100%

Артикул

Название

Примечание

Количество

0

4274478

LAMP;HEAD

2шт.

00A

4285646

* LENS

1шт.

00B

4285647

* RIM

1шт.

00C

4285648

* BULB

1шт.

00D

4288342

* GASKET

1шт.

00E

J900616

* BOLT

2шт.

1

8104656

BRACKET

2шт.

2

J271230

BOLT;SEMS

2шт.

02A

J901230

* BOLT

1шт.

02B

J222012

* WASHER

1шт.

3

2053340

BRACKET

1шт.

4

4652915

HARNESS;WIRE

1шт.

6

4259220

CLIP

6шт.

7

4257159

BRACKET

1шт.

8

J271025

BOLT;SEMS

1шт.

08A

J901025

* BOLT

1шт.

08B

J222010

* WASHER

1шт.

9

4055312

CLIP;BAND

1шт.

Выбрано товаров: 18