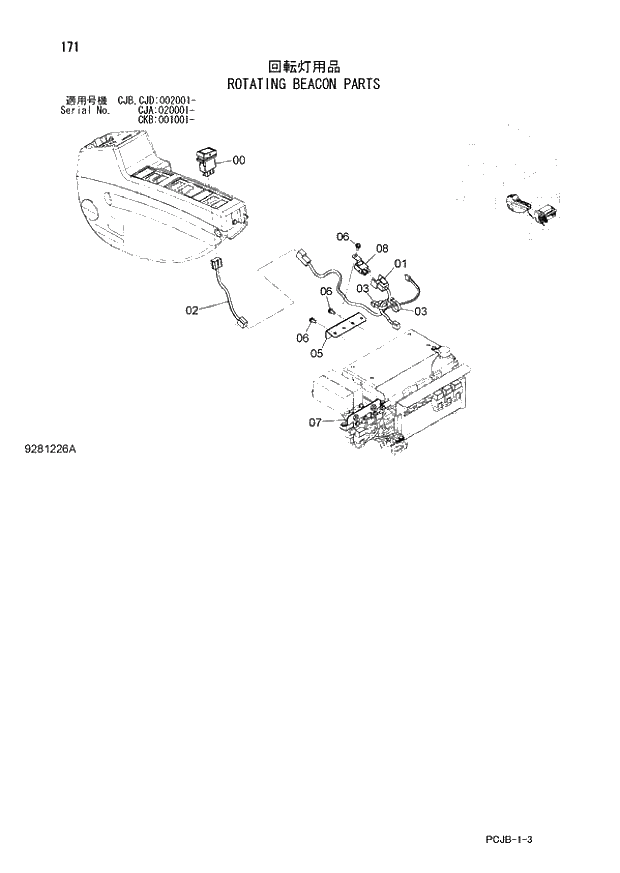
Запчасти Hitachi ZX210W-3 171 ROTATING BEACON PARTS (CJA 020001 - CJB - CJB CJD 002001 - CKB 001001 -). 01 UPPERSTRUCTURE

Схема запчастей Hitachi ZX210W-3 - 171 ROTATING BEACON PARTS (CJA 020001 - CJB - CJB CJD 002001 - CKB 001001 -). 01 UPPERSTRUCTURE
FIT
1:1
100%

Артикул

Название

Примечание

Количество

0

4651293

SWITCH

1шт.

1

4632802

HARNESS;WIRE

1шт.

2

4652004

HARNESS;WIRE

1шт.

3

4055312

CLIP;BAND

2шт.

5

8111725

BRACKET

1шт.

6

J460614

SCREW;SEMS

3шт.

7

8111724

BRACKET

D07/03 -

1шт.

8

4414207

RELAY

1шт.

Выбрано товаров: 8