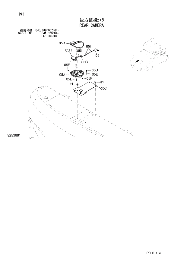
Запчасти Hitachi ZX210W-3 191 REAR CAMERA (CJA 020001 - CJB - CJB CJD 002001 - CKB 001001 -). 01 UPPERSTRUCTURE

Схема запчастей Hitachi ZX210W-3 - 191 REAR CAMERA (CJA 020001 - CJB - CJB CJD 002001 - CKB 001001 -). 01 UPPERSTRUCTURE
FIT
1:1
100%

Артикул

Название

Примечание

Количество

5

9259534

CAMERA ASS'Y

1шт.

05A

7049033

* COVER

1шт.

05B

7049034

* COVER

1шт.

05C

8101747

* BRACKET

1шт.

05D

J780812

* BOLT;SOCKET

6шт.

05E

A590108

* WASHER;PLANE

3шт.

05F

J780610

* BOLT;SOCKET

4шт.

05G

4299864

* GROMMET

1шт.

05H

4642744

* CAMERA

1шт.

05I

4218657

* CLIP

3шт.

11

J271020

BOLT;SEMS

4шт.

11A

J901020

* BOLT

1шт.

11B

J222010

* WASHER

1шт.

Выбрано товаров: 0