Качественные детали и логистика
Оригинальные и аналоговые запчасти с доставкой по России, Казахстану и Беларуси
©2022 PartSell ООО "Система" ИНН 2463123282 ОГРН 1212400004838
Центральный офис: г. Красноярск, Академика Киренского, д.87, пом.4
Телефон: 8 (800) 777-65-74 Email: zakaz@partsell.ru
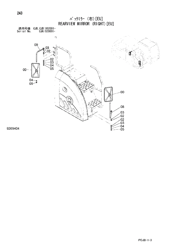
243 REARVIEW MIRROR (RIGHT)(EU) (CJA 020001 - CJB - CJB CJD 002001 -).
№
Артикул
Название
Примечание
Количество
0
4483924
MIRROR
2шт.
2
4172172
SPRING;DISC
4шт.
3
J253112
WASHER;PLANE
4
J231212
NUT
3шт.
5
4449509
NUT;CAP
8
8108970
STAY
1шт.
9
8109236
Выбрано товаров: 0