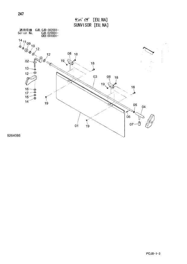
Запчасти Hitachi ZX210W-3 247 SUNVISOR (EU,NA) (CJA 020001 - CJB - CJB CJD 002001 - CKB 001001 -). 01 UPPERSTRUCTURE

Схема запчастей Hitachi ZX210W-3 - 247 SUNVISOR (EU,NA) (CJA 020001 - CJB - CJB CJD 002001 - CKB 001001 -). 01 UPPERSTRUCTURE
FIT
1:1
100%

Артикул

Название

Примечание

Количество

00-19

4654278

SUNVISOR ASS'Y

1шт.

1

4673594

* SUNVISOR

1шт.

2

4607641

* STAY

1шт.

3

4673595

* STAY

1шт.

4

4673596

* STRIKER

1шт.

5

4607645

* SPRING

1шт.

6

4116300

* PIN;SPRING

1шт.

7

4607646

* COVER

1шт.

8

4673597

* BRACKET

2шт.

9

4607751

* COVER;SPRING

1шт.

10

4607755

* SPRING

1шт.

11

4673598

* NUT;U

1шт.

12

A590110

* WASHER;PLANE

3шт.

13

4607775

* WASHER

1шт.

14

4607776

* NUT;CAP

2шт.

15

J950008

* NUT

1шт.

16

A590108

* WASHER;PLANE

1шт.

17

A590908

* WASHER;SPRING

1шт.

18

4662368

* SCREW;SEMS

6шт.

19

4673627

* NUT;CAP

6шт.

Выбрано товаров: 20