Качественные детали и логистика
Оригинальные и аналоговые запчасти с доставкой по России, Казахстану и Беларуси
©2022 PartSell ООО "Система" ИНН 2463123282 ОГРН 1212400004838
Центральный офис: г. Красноярск, Академика Киренского, д.87, пом.4
Телефон: 8 (800) 777-65-74 Email: zakaz@partsell.ru
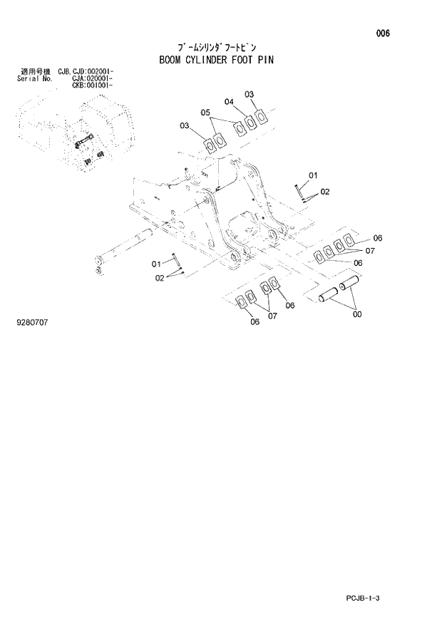
006 BOOM CYLINDER FOOT PIN (CJA 020001 - CJB - CJB CJD 002001 - CKB 001001 -).
№
Артикул
Название
Примечание
Количество
0
3088573
PIN
2шт.
1
4435129
PIN;STOPPER
2
J950016
NUT
4шт.
3
4444284
PLATE;THRUST 1.0mm
4
4460370
PLATE;THRUST 1.5mm
1шт.
5
4444285
PLATE;THRUST 2.0mm
6
4444286
7
4444287
Выбрано товаров: 0