Качественные детали и логистика
Оригинальные и аналоговые запчасти с доставкой по России, Казахстану и Беларуси
©2022 PartSell ООО "Система" ИНН 2463123282 ОГРН 1212400004838
Центральный офис: г. Красноярск, Академика Киренского, д.87, пом.4
Телефон: 8 (800) 777-65-74 Email: zakaz@partsell.ru
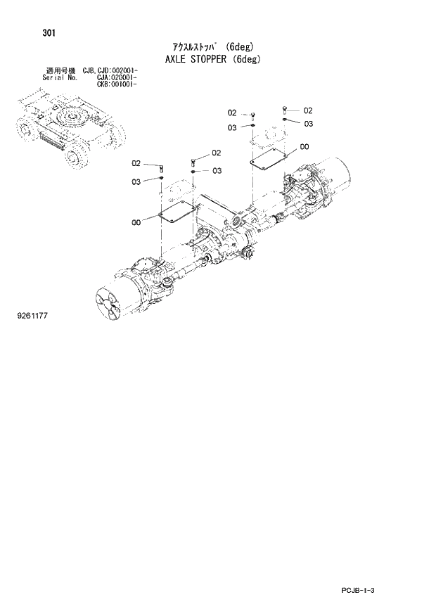
301 AXLE STOPPER (6deg) (CJA 020001 - CJB - CJB CJD 002001 - CKB 001001 -).
№
Артикул
Название
Примечание
Количество
0
4619794
SPACER
2шт.
2
J901650
BOLT
8шт.
3
A590116
WASHER;PLANE
Выбрано товаров: 0