Качественные детали и логистика
Оригинальные и аналоговые запчасти с доставкой по России, Казахстану и Беларуси
©2022 PartSell ООО "Система" ИНН 2463123282 ОГРН 1212400004838
Центральный офис: г. Красноярск, Академика Киренского, д.87, пом.4
Телефон: 8 (800) 777-65-74 Email: zakaz@partsell.ru
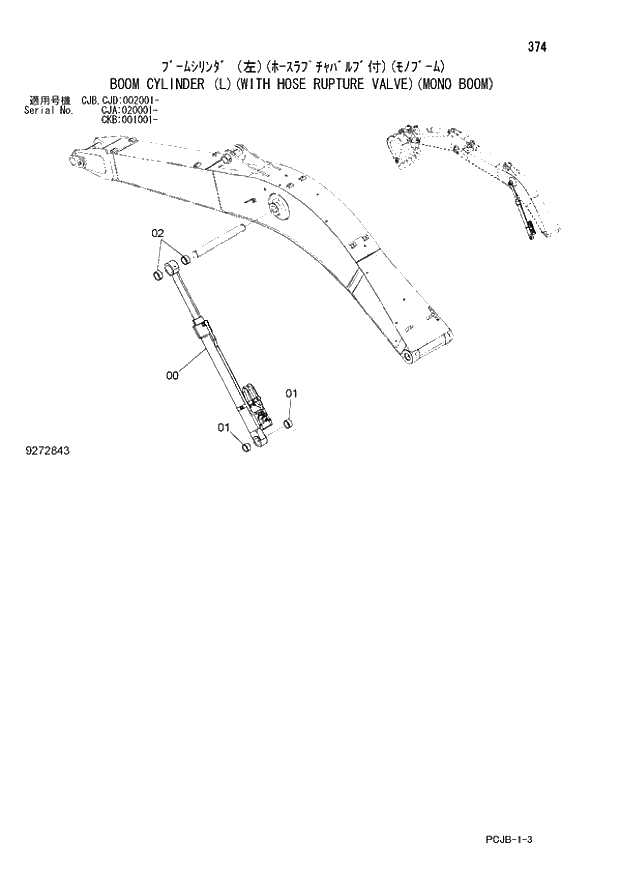
374 BOOM CYLINDER (L)(WITH HOSE RUPTURE VALVE)(MONO BOOM).
№
Артикул
Название
Примечание
Количество
00-02
9272843
CYL.;BOOM (L)
1шт.
0
4663402
* CYL.;BOOM
1
4352398
* BUSHING
2шт.
2
4355875
101
4451668
FELT
102
4167948
CLIP;BAND
Выбрано товаров: 0