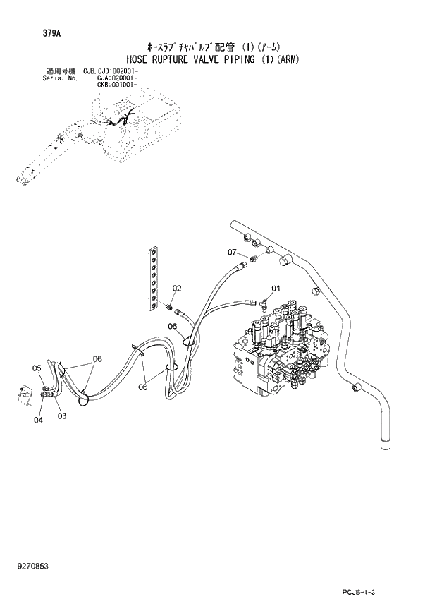
Запчасти Hitachi ZX210W-3 379 HOSE RUPTURE VALVE PIPING (1)(ARM) (CJA 020001- CKB 001001 -). 04 FRONT-END ATTACHMENTS(2P-BOOM)

Схема запчастей Hitachi ZX210W-3 - 379 HOSE RUPTURE VALVE PIPING (1)(ARM) (CJA 020001- CKB 001001 -). 04 FRONT-END ATTACHMENTS(2P-BOOM)
FIT
1:1
100%

Артикул

Название

Примечание

Количество

1

4208910

TEE;S

1шт.

01A

4509180

* O-RING

1шт.

2

A852133

ADAPTER;S

1шт.

02A

4509180

* O-RING

1шт.

3

9271207

HOSE ASS'Y

Y

1шт.

03A

4375315

* HOSE

1шт.

03B

4327293

* PROTECTOR

6шт.

3

9284363

HOSE ASS'Y

1шт.

03A

4305139

* HOSE

1шт.

03B

4327293

* PROTECTOR

6шт.

4

9271208

HOSE ASS'Y

Y

1шт.

04A

4663052

* HOSE (PIA)

1шт.

04B

4327293

* PROTECTOR

7шт.

4

9281407

HOSE ASS'Y

1шт.

04A

4674168

* HOSE (PIA)

1шт.

04B

4327293

* PROTECTOR

7шт.

5

9271209

HOSE ASS'Y

Y

1шт.

05A

4663053

* HOSE (DR)

1шт.

05B

4327293

* PROTECTOR

6шт.

5

9284364

HOSE ASS'Y

1шт.

05A

4677419

* HOSE (DR)

1шт.

05B

4327293

* PROTECTOR

6шт.

6

4055312

CLIP;BAND

5шт.

7

A852144

ADAPTER;S

1шт.

07A

4506418

* O-RING

1шт.

Выбрано товаров: 0