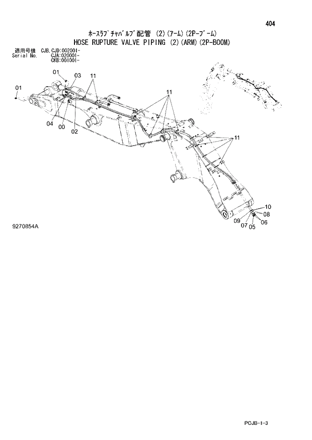
Запчасти Hitachi ZX210W-3 404 HOSE RUPTURE VALVE PIPING (2)(ARM)(2P-BOOM) (CJA 020001 - CKB 001001 -). 04 FRONT-END ATTACHMENTS(2P-BOOM)

Схема запчастей Hitachi ZX210W-3 - 404 HOSE RUPTURE VALVE PIPING (2)(ARM)(2P-BOOM) (CJA 020001 - CKB 001001 -). 04 FRONT-END ATTACHMENTS(2P-BOOM)
FIT
1:1
100%

Артикул

Название

Примечание

Количество

0

A852344

ELBOW;S

1шт.

00A

4506418

* O-RING

1шт.

1

A852323

ELBOW;S

2шт.

01A

957366

* O-RING

1шт.

2

9271210

HOSE ASS'Y

1шт.

02A

4663054

* HOSE

1шт.

02B

4327293

* PROTECTOR

15шт.

3

9271211

HOSE ASS'Y

1шт.

03A

4663055

* HOSE (PIA)

1шт.

03B

4327293

* PROTECTOR

13шт.

4

9271212

HOSE ASS'Y

1шт.

04A

4663056

* HOSE (DR)

1шт.

04B

4327293

* PROTECTOR

13шт.

5

4315207

ADAPTER;S

1шт.

6

4202532

ADAPTER;S

2шт.

7

A590120

WASHER;PLANE

1шт.

8

A590116

WASHER;PLANE

2шт.

9

4316589

NUT

1шт.

10

4202531

NUT

2шт.

11

4055312

CLIP;BAND

10шт.

Выбрано товаров: 20