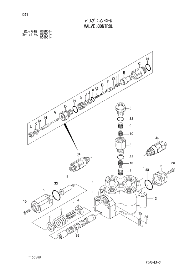
Запчасти Hitachi ZX210W-3 041 VALVE CONTROL (001001 - 002001 - 020001 -). 03 VALVE

Схема запчастей Hitachi ZX210W-3 - 041 VALVE CONTROL (001001 - 002001 - 020001 -). 03 VALVE
FIT
1:1
100%

Артикул

Название

Примечание

Количество

4674114

VALVE;CONTROL

1шт.

1

766501

* COVER

1шт.

2

766502

* COVER

1шт.

3

766503

* SPRING;COMPRES.

1шт.

4

766504

* HOLDER;SPRING

2шт.

5

766505

* END;SPOOL

1шт.

6

757601

* ADAPTER

I 0

1шт.

6

1150402

* ADAPTER

D07/08 -

1шт.

7

757602

* PLUNGER

1шт.

8

757603

* CONNECTOR

1шт.

9

757604

* PLUNGER

1шт.

10

766508

* SPRING;COMPRES.

2шт.

11

766509

* SPRING;COMPRES.

1шт.

12

+++++++

* BODY

1шт.

15

+++++++

* NAME-PLATE

1шт.

26

+++++++

* SPOOL

1шт.

28

370410

* BOLT;SOCKET

4шт.

30

794701

* SCREW;DRIVE

2шт.

32

4506424

* O-RING

2шт.

33

766510

* O-RING

2шт.

34

1150401

* VALVE;RELIEF

2шт.

34A

+++++++

** VALVE

1шт.

34B

+++++++

** PIN

1шт.

34C

+++++++

** ADAPTER

1шт.

34D

+++++++

** BODY

1шт.

34E

+++++++

** POPPET

1шт.

34F

+++++++

** POPPET

1шт.

34G

+++++++

** SPRING;COMPRES

1шт.

34H

+++++++

** SPRING;COMPRES

1шт.

34I

+++++++

** RING;BACK-UP

2шт.

34J

+++++++

** RING;BACK-UP

2шт.

34K

+++++++

** SCREW

1шт.

34L

+++++++

** NUT

1шт.

34M

+++++++

** O-RING

1шт.

34N

+++++++

** O-RING

2шт.

34O

+++++++

** O-RING

1шт.

34P

+++++++

** O-RING

1шт.

34Q

+++++++

** SPRING;COMPRES

1шт.

Выбрано товаров: 38