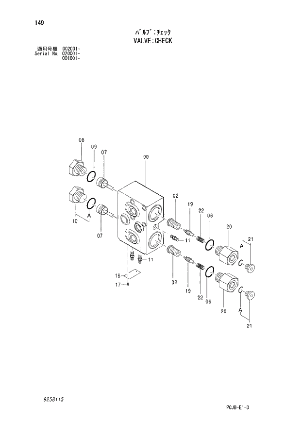
Запчасти Hitachi ZX210W-3 149 VALVE CHECK (001001 - 002001 - 020001 -). 05 CYLINDER

Схема запчастей Hitachi ZX210W-3 - 149 VALVE CHECK (001001 - 002001 - 020001 -). 05 CYLINDER
FIT
1:1
100%

Артикул

Название

Примечание

Количество

9258115

VALVE;CHECK

1шт.

0

1033568

* CASING

1шт.

2

4484280

* SLEEVE

2шт.

6

4509182

* O-RING

2шт.

7

4647798

* PISTON

2шт.

8

4484431

* PLUG

1шт.

9

4506418

* O-RING

1шт.

10

A885006

* PLUG

1шт.

10A

4506424

** O-RING

1шт.

11

3095884

* PLUG

3шт.

16

3096811

* NAME-PLATE

1шт.

17

M491832

* SCREW;DRIVE

2шт.

19

4668546

* POPPET

2шт.

20

4647974

* PLUG

2шт.

21

9134110

* PLUG

2шт.

21A

957366

** O-RING

1шт.

22

4668657

* SPRING;COMPRES.

2шт.

Выбрано товаров: 0