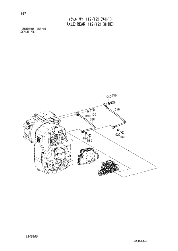
Запчасти Hitachi ZX210W-3 297 AXLE REAR (12-12)(WIDE) (D09-10 -). 06 POWER TRAIN

Схема запчастей Hitachi ZX210W-3 - 297 AXLE REAR (12-12)(WIDE) (D09-10 -). 06 POWER TRAIN
FIT
1:1
100%

Артикул

Название

Примечание

Количество

4707702

AXLE;REAR (12/12)

1шт.

10

1140501

* TUBE

1шт.

20

1140502

* SEAL;OIL

2шт.

30

1140503

* BOLT

1шт.

40

1140504

* SEAL;OIL

2шт.

50

1140505

* BOLT

1шт.

60

1140506

* TUBE

1шт.

70

1140502

* SEAL;OIL

2шт.

80

1140503

* BOLT

1шт.

90

1140504

* SEAL;OIL

2шт.

100

1140505

* BOLT

1шт.

Выбрано товаров: 11