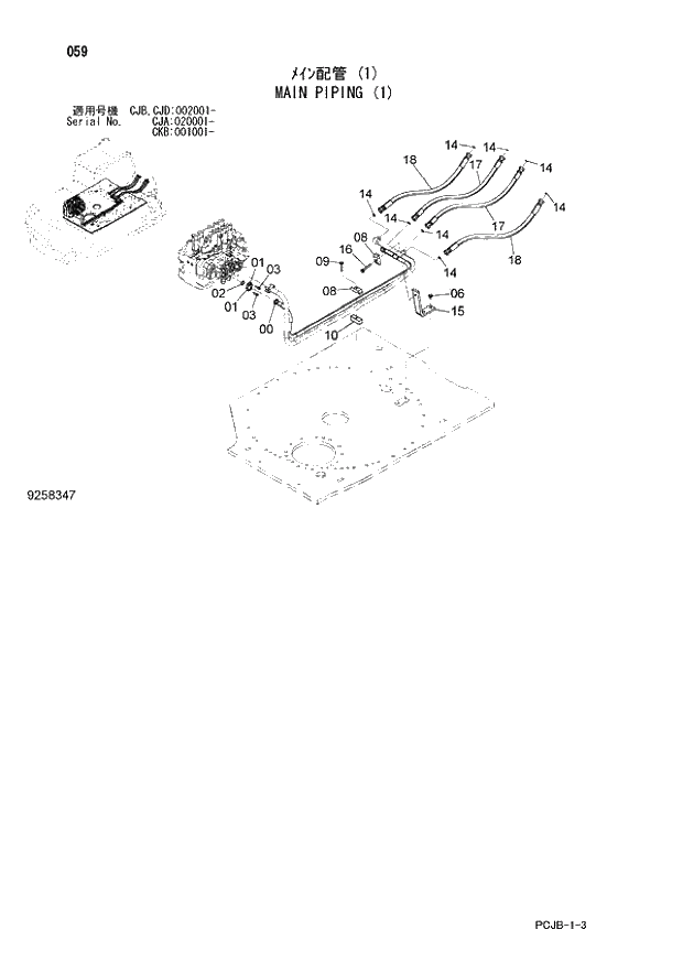
Запчасти Hitachi ZX210W-3 059 MAIN PIPING (1) (CJA 020001 - CJB - CJB CJD 002001 - CKB 001001 -). 01 UPPERSTRUCTURE

Схема запчастей Hitachi ZX210W-3 - 059 MAIN PIPING (1) (CJA 020001 - CJB - CJB CJD 002001 - CKB 001001 -). 01 UPPERSTRUCTURE
FIT
1:1
100%

Артикул

Название

Примечание

Количество

0

8103999

PIPE

1шт.

1

986910

FLANGE;SPLIT

2шт.

2

971489

O-RING

1шт.

3

J781030

BOLT;SOCKET

4шт.

6

J281230

BOLT;SEMS

2шт.

06A

J901230

* BOLT

1шт.

06B

4249324

* WASHER

1шт.

8

4153488

CLAMP;PIPE

2шт.

9

J271270

BOLT;SEMS

1шт.

09A

J901270

* BOLT

1шт.

09B

J222012

* WASHER

1шт.

10

4209157

SEAT;SCREW

1шт.

14

4187308

O-RING

8шт.

15

9767129

BRACKET

1шт.

16

J271285

BOLT;SEMS

1шт.

16A

J901285

* BOLT

1шт.

16B

J222012

* WASHER

1шт.

17

4650217

HOSE

2шт.

8

4650214

HOSE

2шт.

Выбрано товаров: 0