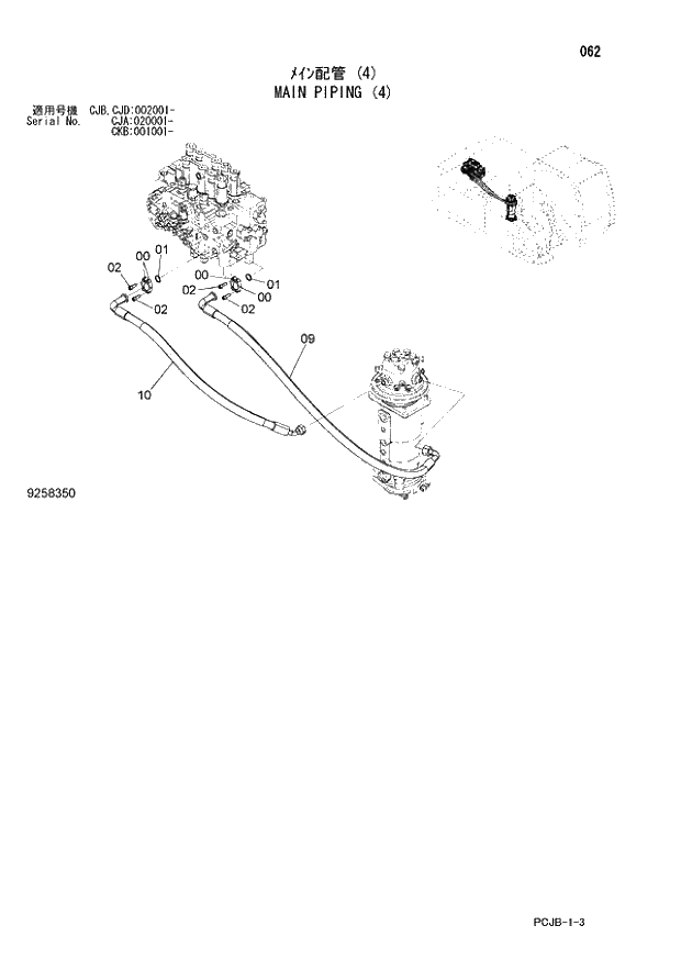
Запчасти Hitachi ZX210W-3 062 MAIN PIPING (4) (CJA 020001 - CJB - CJB CJD 002001 - CKB 001001 -). 01 UPPERSTRUCTURE

Схема запчастей Hitachi ZX210W-3 - 062 MAIN PIPING (4) (CJA 020001 - CJB - CJB CJD 002001 - CKB 001001 -). 01 UPPERSTRUCTURE
FIT
1:1
100%

Артикул

Название

Примечание

Количество

0

986910

FLANGE;SPLIT

4шт.

1

971489

O-RING

2шт.

2

J781030

BOLT;SOCKET

8шт.

9

9273079

HOSE ASS'Y

1шт.

09A

4665188

* HOSE

1шт.

09B

4327294

* PROTECTOR

4шт.

10

9281167

HOSE ASS'Y

1шт.

10A

4674283

* HOSE

1шт.

10B

4327294

* PROTECTOR

4шт.

Выбрано товаров: 9