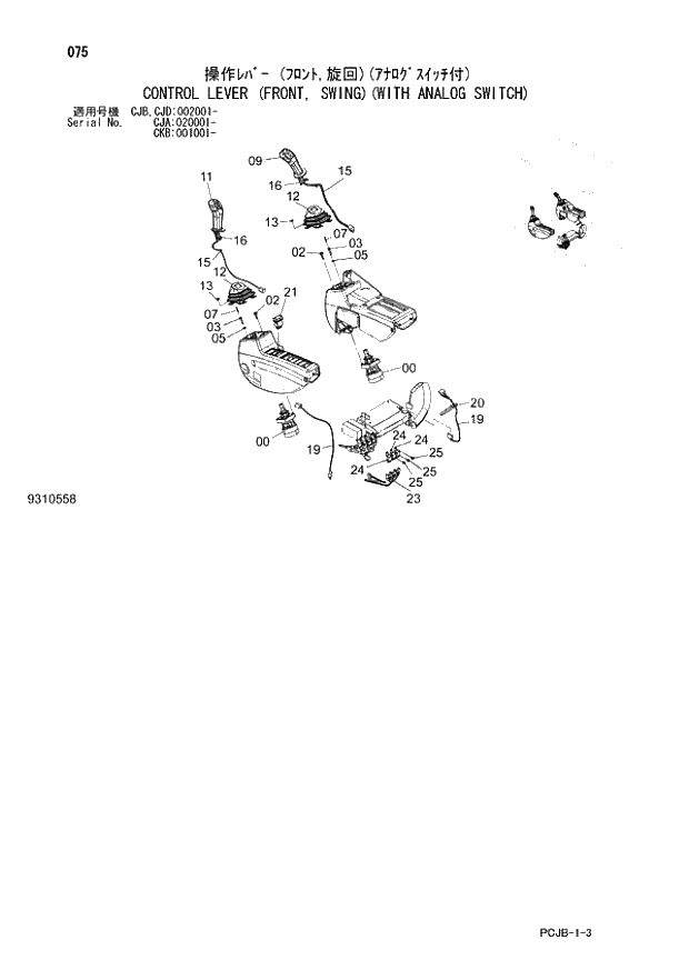
Запчасти Hitachi ZX210W-3 075 CONTROL LEVER (FRONT, SWING)(CJA 020001-CJB -CJB CJD 002001-CKB 001001 -). 01 UPPERSTRUCTURE

Схема запчастей Hitachi ZX210W-3 - 075 CONTROL LEVER (FRONT, SWING)(CJA 020001-CJB -CJB CJD 002001-CKB 001001 -). 01 UPPERSTRUCTURE
FIT
1:1
100%

Артикул

Название

Примечание

Количество

0

4476331

VALVE;PILOT

2шт.

2

J260830

BOLT;SEMS

6шт.

02A

J900830

* BOLT

1шт.

02B

A590108

* WASHER;PLANE

1шт.

3

4479300

BOLT

2шт.

5

A590108

WASHER;PLANE

2шт.

7

4144011

PIN;SPRING

2шт.

9

4656944

GRIP

1шт.

11

4672802

GRIP

1шт.

12

1033883

BOOT

2шт.

13

4642773

WASHER

8шт.

15

4300351

CLIP;BAND

2шт.

16

4055311

CLIP;BAND

2шт.

19

4652430

HARNESS;WIRE

2шт.

20

4121859

CLIP;BAND

1шт.

21

4672350

SWITCH (ASSIST)

1шт.

23

3110434

HARNESS;WIRE (ASSIST)

1шт.

24

4414207

RELAY

3шт.

25

J460614

SCREW;SEMS

3шт.

Выбрано товаров: 19