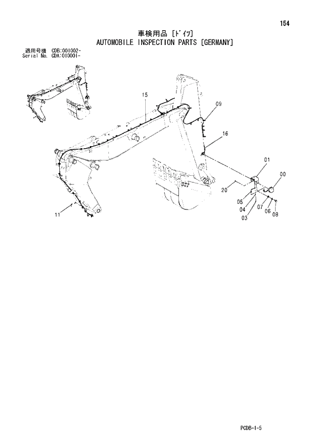
Запчасти Hitachi ZX210W 154 AUTOMOBILE INSPECTION PARTS (GERMANY) (CDA 010001 - CDB 001002 -). 01 UPPERSTRUCTURE

Схема запчастей Hitachi ZX210W - 154 AUTOMOBILE INSPECTION PARTS (GERMANY) (CDA 010001 - CDB 001002 -). 01 UPPERSTRUCTURE
FIT
1:1
100%

Артикул

Название

Примечание

Количество

0

4489178

LAMP

2шт.

1

4489309

BRACKET

2шт.

3

M430613

SCREW

2шт.

4

A590906

WASHER;SPRING

2шт.

5

4254604

HARNESS;WIRE

2шт.

6

A590914

WASHER;SPRING

2шт.

7

A590114

WASHER;PLANE

2шт.

8

J901425

BOLT

2шт.

9

4055312

CLIP;BAND

39шт.

11

4609859

HARNESS;WIRE

1шт.

15

4609856

HARNESS;WIRE

1шт.

16

4489238

HARNESS;WIRE

1шт.

20

J460520

SCREW;SEMS

4шт.

Выбрано товаров: 13