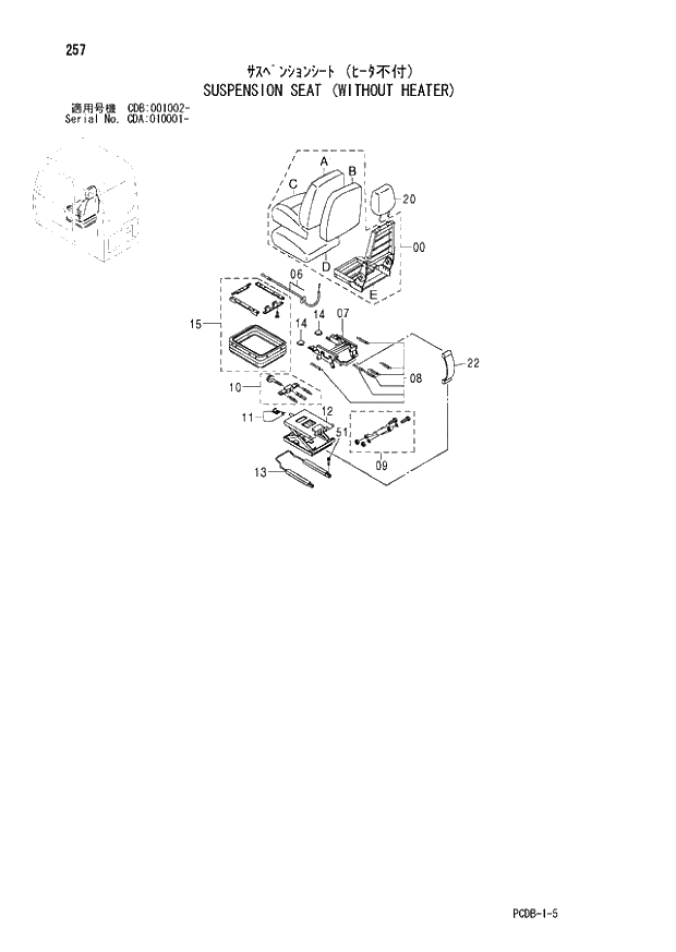
Запчасти Hitachi ZX210W 257 SUSPENSION SEAT (WITHOUT HEATER) (CDA 010001 - CDB 001002 -). 01 UPPERSTRUCTURE

Схема запчастей Hitachi ZX210W - 257 SUSPENSION SEAT (WITHOUT HEATER) (CDA 010001 - CDB 001002 -). 01 UPPERSTRUCTURE
FIT
1:1
100%

Артикул

Название

Примечание

Количество

4465006

SEAT ASS'Y

1шт.

0

4456380

* SEAT

1шт.

00A

4456381

** COVER;BACK

1шт.

00B

4392796

** PAD;BACK

1шт.

00C

4453664

** COVER;SEAT

1шт.

00D

4392798

** PAD;SEAT

1шт.

00E

4392799

** FRAME;SEAT

1шт.

6

4392800

* CABLE

1шт.

7

4607311

* STAND

1шт.

8

4392802

* SPRING

1шт.

9

4600090

* DAMPER

1шт.

10

4607627

* ADJUSTER

1шт.

11

4392805

* STOPPER

1шт.

12

4607314

* SASPENSION

1шт.

13

4607638

* SLIDER

1шт.

14

4607637

* HANDLE

2шт.

15

4607629

* COVER

1шт.

20

4456375

* REST;HEAD

1шт.

22

4607310

* BELT

1шт.

51

M340816

BOLT;SOCKET

4шт.

Выбрано товаров: 20