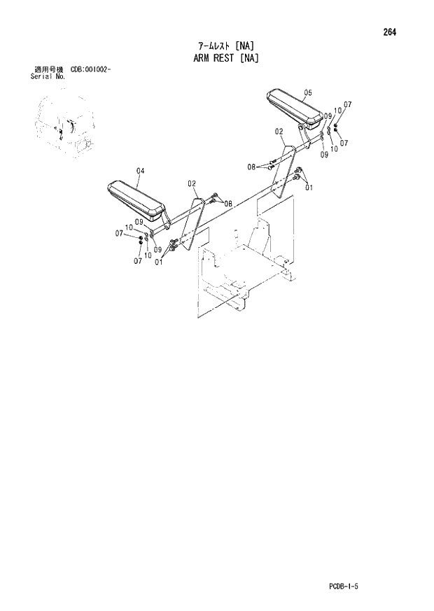
Запчасти Hitachi ZX210W 264 ARM REST (NA) (CDB 001002 -). 01 UPPERSTRUCTURE

Схема запчастей Hitachi ZX210W - 264 ARM REST (NA) (CDB 001002 -). 01 UPPERSTRUCTURE
FIT
1:1
100%

Артикул

Название

Примечание

Количество

1

J271030

BOLT;SEMS

4шт.

01A

J901030

* BOLT

1шт.

01B

J222010

* WASHER

1шт.

2

8099405

BRACKET

1шт.

4

4463702

REST;ARM

1шт.

5

4463703

REST;ARM

1шт.

7

M500807

NUT

4шт.

8

J650830

SCREW

4шт.

9

J217083

WASHER

4шт.

10

A590908

WASHER;SPRING

4шт.

Выбрано товаров: 10