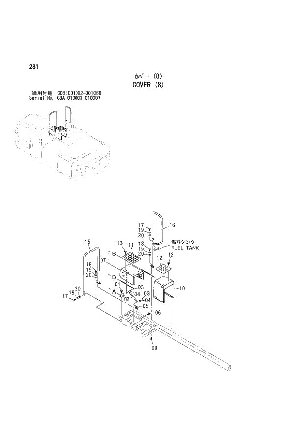
Запчасти Hitachi ZX210W 281 COVER (8) (CDA 010001 - 010007 CDB 001002 - 001066). 01 UPPERSTRUCTURE

Схема запчастей Hitachi ZX210W - 281 COVER (8) (CDA 010001 - 010007 CDB 001002 - 001066). 01 UPPERSTRUCTURE
FIT
1:1
100%

Артикул

Название

Примечание

Количество

1

J021025

BOLT;SEMS

0

4шт.

1

J271025

BOLT;SEMS

T D03/05 -

4шт.

@111

2

4196560

STAY

1шт.

3

4022697

PIN;LOCK

2шт.

4

A590110

WASHER;PLANE

2шт.

5

9745798

CATCH

1шт.

6

J031030

BOLT;SEMS

0

2шт.

6

J281030

BOLT;SEMS

T D03/05 -

2шт.

@222

07A-B

7043598

COVER

1шт.

07A

4478085

* HINGE

2шт.

07B

4477675

* RUBBER

2шт.

9

J031030

BOLT;SEMS

0

4шт.

9

J281030

BOLT;SEMS

T D03/05 -

4шт.

@333

10

7043557

STEP

1шт.

11

3092277

COVER

1шт.

12

3092335

COVER

1шт.

13

J021025

BOLT;SEMS

0

8шт.

13

J271025

BOLT;SEMS

T D03/05 -

8шт.

@444

15

7043354

STAY

1шт.

16

7043355

STAY

1шт.

17

J921240

BOLT

4шт.

18

J921235

BOLT

4шт.

19

A590912

WASHER;SPRING

8шт.

20

A590112

WASHER;PLANE

8шт.

Выбрано товаров: 28